Montagetemperatur
-10 – +40 °C
Werkstoff
PE-HD
Auf einen Verwendungszweck klicken, um nach weiteren Produkten zu suchen
Zur Gebäudeentwässerung
Zur Grundstücksentwässerung
Zum zugfesten und unlösbaren Verbinden von Rohren und Formstücken
Auf eine Eigenschaft klicken, um nach weiteren Produkten zu suchen
Mit integrierter Thermosicherung
Mit ESG-T2 Startschalter schweißbar
Mit ESG 3 Elektroschweißgerät schweißbar
Wärmegedämmt
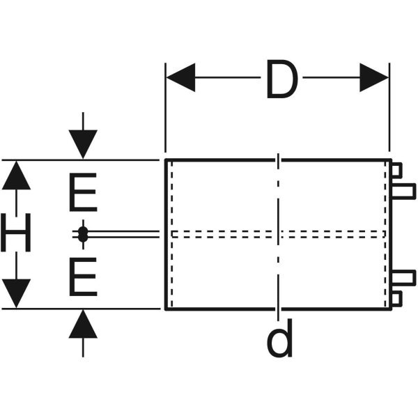
DN: 300
d, ø: 315 mm
D: 34.3 cm
E: 7.5 cm
H: 15 cm
VE1: 1 St.
VE2: 3 St.
VE3: 24 St.