Beschreibung
Betriebstemperatur
-20 – +120 °C
Werkstoff
CrNiMo-Stahl 1.4401 (DIN EN 10088)
Auf einen Verwendungszweck klicken, um nach weiteren Produkten zu suchen
Für Kühl- und Heizungswasser ohne Frostschutzmittel
Für Kühl- und Heizungswasser mit Frostschutzmittel
Für Fernwärmeheizungswasser ≤ 120 °C
Für Betriebs- und Prozesswässer
Für aufbereitete Wässer (Einsatzbereich gemäß Technischer Information „Aufbereitete Wässer“ )
Für Grau- und Schwarzwasser mit pH-Wert > 6,0
Für Löschwasser (nass)
Für Druckluft (Reinheitsklasse Öl 0–3)
Auf eine Eigenschaft klicken, um nach weiteren Produkten zu suchen
Abdichtung der Spindel aus PTFE
Profildichtung von Flansch und Kugel aus PTFE
Erfüllt Anforderungen nach TA Luft VDI 2440
Anschlussflansch für Motor, nach EN ISO 5211 (nur bei d = 76,1–108 mm)
Betätigungshebel längenverstellbar (nur bei d = 108 mm)
Abschließbar
Pressindikator
Unverpresst undicht
Dichtring aus CIIR schwarz
Pressmuffe mit transparentem Schutzstopfen
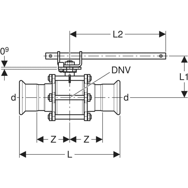
DN: 100
DNV: 100
d, ø: 108 mm
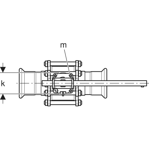
k: 102 mm
m: 11 mm
L: 41.2 cm
L1: 17.7 cm
L2: 50 cm
Z: 13.1 cm
PN: 16 bar
VE1: 1 St.
Ersatzteile
Zugehörige Artikel
GEBERIT Set Betätigungshebel abschliessbar, für Geberit Mapress Kugelhahn, geflanscht #90781
GEBERIT Set Betätigungshebel abschliessbar, für Geberit Mapress Kugelhahn, geflanscht #90780
GEBERIT Set Betätigungshebel abschliessbar, für Geberit Mapress Kugelhahn, geflanscht #90783
GEBERIT Set Betätigungshebel abschliessbar, für Geberit Mapress Kugelhahn, geflanscht #90776