Beschreibung
Betriebstemperatur
0–90 °C
Werkstoff
Rotguss (CuSn5Zn5Pb2-C)
Werkstoff Dämmung
EPP
Dämmstärke
10 mm
Wärmeleitfähigkeit Dämmung
0.035 W/(m·K)
Auf einen Verwendungszweck klicken, um nach weiteren Produkten zu suchen
Für Trinkwasser kalt und warm
Für Geberit Duofix und Geberit GIS Montageplatten
Für Massiv- und Trockenbau
Auf eine Eigenschaft klicken, um nach weiteren Produkten zu suchen
Zulassung nach DVGW
Modell Geberit K4
Kugel und Grundkörper vollständig durchströmt
Mit einer Messkapsel KOAX G 2" bestückbar
Oberteil mit Kugel und Dichtungen austauschbar
Mit UP-Drehbetätigung
Kugel aus PPSU
Abdichtung des Oberteils aus EPDM
Abdichtungen der Kugel aus Silikon
UP-Drehbetätigung
Verlängerung
Bauschutz
Bauschutzstopfen mit Markierspitze
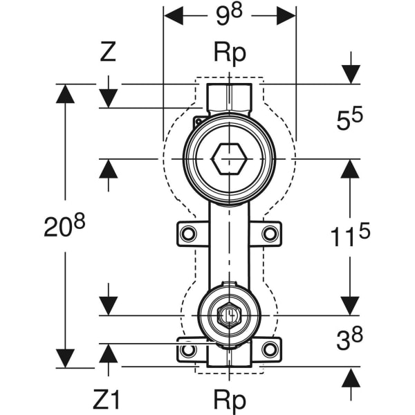
DN: 20
DNV: 20
Rp: 3/4 ″
L: 14.8 cm
l: 2.2 cm
Z: 3.9 cm
Z1: 2.2 cm
K: 7.3 cm
PN: 10 bar
VE1: 1 St.