Zulassung: Standards, BGCC
Vorteile: Unsere wassersparende Click-Technologie gibt nur dann den vollen Wasserdurchfluss frei, wenn der Griff über einen leichten Widerstand hinaus bewegt wird. Das reduziert den Wasserverbrauch um 50 %., Umweltproduktdeklarationen (Environmental Product Declaration), Die außergewöhnliche Qualität der Chromoberfläche macht unsere Armaturen widerstandsfähiger gegen Kratzer und leichter zu reinigen, damit Sie lange Freude an ihnen haben.
: Click-Technologie, EPD, SmartShine Oberfläche
Zertifikatsnummer: Standards = EN 817, BGCC = 14-NURVSPSRB-4110
Kollektion: Melange
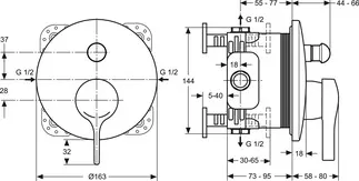
Höhe: 195 mm
Breite: 163 mm
Länge: 58 mm
Designer: Artefakt
Befestigungsart: Kit 1 benötigt
Durchflussleistung: 23 Liter in der Minute
Material: Messing
Befestigung: Wandeinbau
Nettogewicht: 1.06 kg
Betriebsdruck: 0.5 bar
Form: Abgerundet / geschwungen
Art: Badearmatur UP Bausatz 2